CPI SAT SPXB Series Indoor Rack Mount Modular X-Band SSPAs- 100, 125, 200W

GD Satcom L-Band LNA

CPI SAT LL-1500 Series L-Band Low Noise Amplifier (LNA)

GD Satcom DPCD DPCM C-Band 450W Outdoor Antenna Mount SSPA

CPI SAT DPCD & DPCM Series 450W Outdoor Antenna Mount C-Band SSPA System

SKU
CPI-SPXB-X
CPI SAT SPXB Series Indoor Rack Mount Modular X-Band SSPAs- 100, 125, 200W is available to buy in increments of 1

Indoor rack mounted X-Band

SPXB X-Band SSPAs

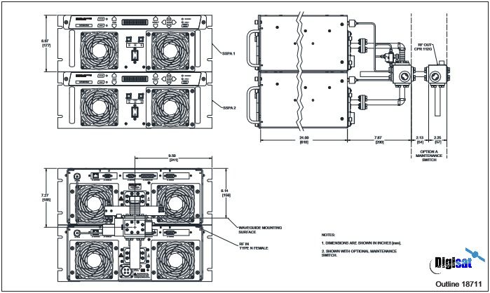
The CPI SAT (formerly GD Satcom Technologies & Prodelin) SPXB Series Indoor Rack Mount Modular X-Band SSPAs use technology developed for ModuMAX amplifiers. These rack-mount SSPAs offer output powers of 100, 125, or 200 watts across the standard 7.90–8.40 GHz satellite uplink band. The SSPAs incorporate a modular architecture that includes the RF modules, power supplies, logic, fans, and front panel assembly. The amplifiers are designed for reliable service in fixed and mobile applications.

Configuration

The SPXB8 Indoor series are available in three configurations:

  • 100 Watt- SPXB8100R
  • 125 Watt- SPXB8125R
  • 200 Watt- SPXB8200R

Features

  • 100/125/200 W saturated output power
  • Digital gain adjustment (20 dB range)
  • Forward and reflected power monitoring
  • Microprocessor-based monitor and control
  • Serial interface (RS-232/-422/-485) standard
  • 10 Base-T network interface (SNMP, HTTP)
  • RF input and output sample port
  • Integral 1:1 redundancy control

Applications

  • Stand-alone SSPA
  • 1:1 and 1:2 redundant systems


Accessories

RCP-2001 remote panel

Military and Government Satcom Communications Systems