Norsat 9100HI5F-4 Ka-Band 5 Band PLL LNB F-connector
9100HI5F-4 Ka-Band PLL LNB
The Norsat 9100HI5F-4 Ka-band PLL LNBs offer five separate sub bands for the utmost in frequency flexibility with improved LO stability allowing users to reliably receive a narrower band transmission from Ka satellite networks. The 9100HI5F series is available in frequencies ranging from 17.2 to 22.2 GHz, in five sub-bands:

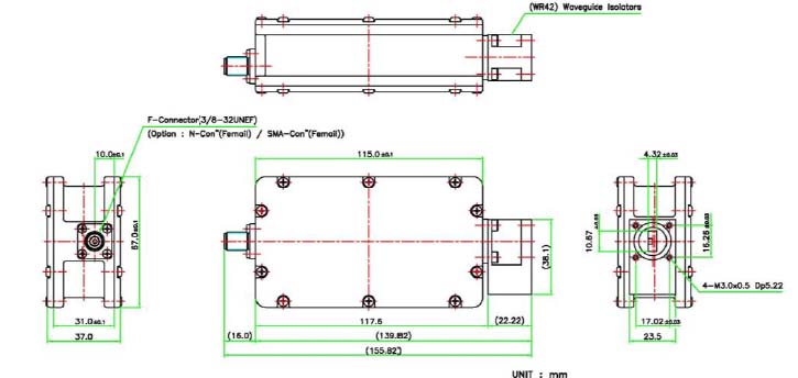
Outline Dimensions

Ordering Info

Input: (waterproof) WR-42 waveguide
Output: Type-N (50 ohm)
Noise Figure (@ +25˚C) 2.7 dB max.
L.O. Stability (@ over temp.) +/- 10 KHz
Conversion Gain 55 to 65 dB
Gain Flatness (each band) 4 dBp-p max.
Phase Noise -60 dBc/Hz (@ 100 Hz) -70 dBc/Hz (@ 1 kHz) -78 dBc/Hz (@ 10 kHz) -93 dBc/Hz (@ 100 kHz)
Input VSWR 1.5 : 1 max.
Output VSWR 2.2 : 1 max.
Image Rejection 40 dBc @ L.O. 16.2 GHz 25 dBc @ L.O. 17.2 GHz 0 dBc min. @ other L.O.s
Military, Newsgathering and remote communications where highly flexible frequency changes are required.