CPI SAT BUC17000.0001 Series DBS-Band Block Upconverter (17.3 - 18.40 GHz)
BUC17000.0001 DBS-Band Block Upconverter
The CPI SAT (formerly GD Satcom Technologies & Prodelin) BUC17000.0001 BU-Series DBS-Band Block Upconverters are designed to translate a block of L-Band IF input frequencies to DBS-Band (17.3 - 18.4 GHz). These block upconverters have the quality, stability and performance required for demanding transmitting applications in INTELSAT, EUTELSAT, and other satellite communications systems. When used with Solid-State Power Amplifiers (SSPAs) the BU-Series converters will shift the SSPA input frequency to L-Band for use with coaxial or fiberoptic IFLs.
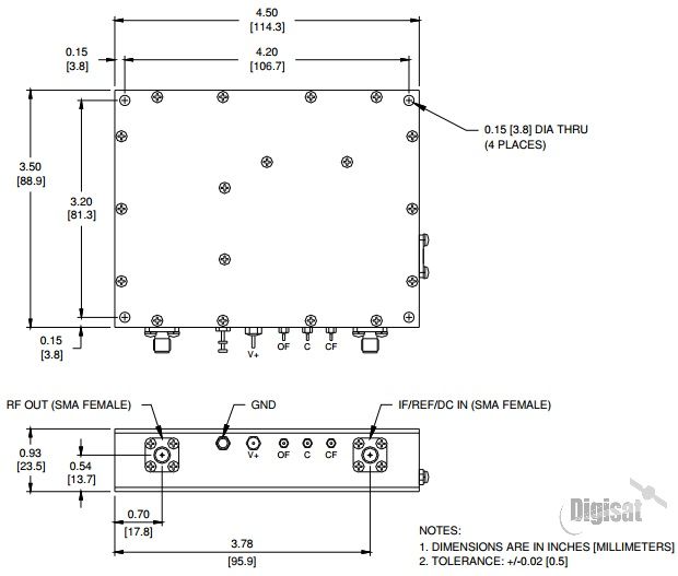
Application Notes BU-Series converters may be powered by one of two methods: Either supply +Vdc between the center conductor and ground of the L-Band input cable (cable powered) or apply +Vdc to the DC power RFI and the ground lug. The alarm RFIs provide a Form ‘C’ contact set which indicates a fault if phase lock is lost. The alarm circuit is rated at 100 V at 50 mA.
BUC17000.0001 Features
- L-Band input
- Ku-Band = 500 or 750 MHz BW
- Phase-locked oscillator locks to external 10 MHz reference
- INTELSAT/EUTELSAT-compliant phase noise Options
- External reference may be diplexed with IF input or supplied via separate coaxial connector.
