CPI SATm BRCD1 C-Band Redundant Block Downconverter System
SKU
CPI-BRCD1
CPI SATm BRCD1 C-Band Redundant Block Downconverter System is available to buy in increments of 1
BRCD1 C-Band Redundant Downconverter System
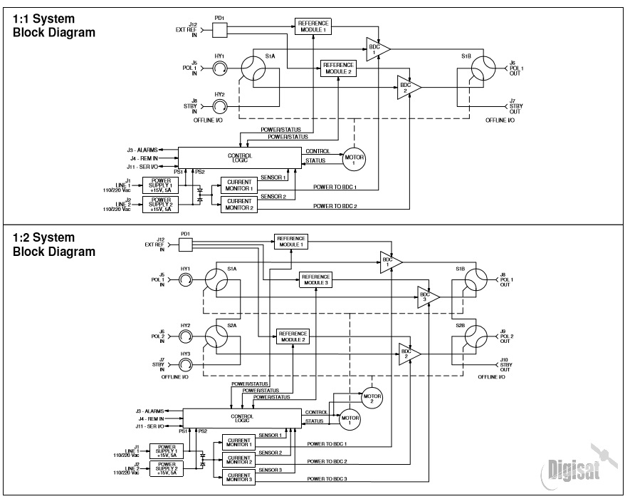
The CPI SAT (formerly GD Satcom Technologies & Prodelin) BRCD1 Series C-Band Redundant Block Downconverter (BDC) systems contain either three converters in a 1:2 redundant configuration or two converters in a 1:1 config. The systems include automatic switchover logic, redundant power supplies, and redundant ac line inputs. The systems are designed for installation at satellite earth stations in standard 19-inch EIA equipment racks. The systems are designed to house BD-Series C-Band Block Downconverters.
BRCD1 Features
- Standard 19” rack panel, 3.5” high
- Dual redundant power supplies
- Worldwide AC input capability
- Monitors converter bias currents and phase lock to external reference
- Manual or automatic operation
- Manual override switch control knobs on rear panel
- Serial I/O
- Offline I/O
- Frequency reference that is stable to ±20 ppb in stand-alone operation
- 10.0 MHz external reference
Part #'s
BRCD11D10
BRCD12D10
BRCD11D20
BRCD12D20

BRCD1 Ordering Configuration
